ОЦЕНКА НЕФТЕНАСЫЩЕННОСТИ СЛОЖНОПОСТРОЕННЫХ КОЛЛЕКТОРОВ КИСЛОРСКОГО МЕСТОРОЖДЕНИЯ ПО ДАННЫМ ВОЛНОВОГО АКУСТИЧЕСКОГО КАРОТАЖА
Д.Н. Крылов, Г.М. Шакирова (НПЦ-1 ОАО “РИТЭК"), В.Н. Черноглазов, А.В. Городнов (РГУНГ им. И.М. Губкина), Я.И. Бучинский (НГДУ “РИТЭКБелоярскнефть")
При построении геологических моделей и проведении геолого-промыслового анализа разработки месторождений нефтяники сегодня все чаще вынуждены уходить от ставших уже привычными обобщенно-упрощенных представлений о строении разреза. В значительной степени это связано с необходимостью учета тонкослоистой структуры осадочных разрезов. Нефтеперспективность многих объектов в Западной Сибири и Татарстане определяется особенностями залегания и свойствами тонких квазиоднородных пластов мощностью 1,5-20,0 м, которые самостоятельно не отображаются в сейсмических волновых полях (Крылов Д.Н., 2002; Krilov D., 2002). Зачастую именно рациональная комбинированная разработка таких объектов, о чем свидетельствует многолетний опыт работы ОАО “РИТЭК”, обеспечивает добычу на небольших сложнопостроенных месторождениях. Таким образом, оценка свойств тонкослоистых объектов и в первую очередь их нефтенасыщенности становится сегодня одной из главных задач геологической интерпретации.
Ситуация осложняется тем, что нередко стандартный комплекс ГИС “пропускает” нефтенасыщенные прослои, поскольку радиус исследования многих методов сопоставим с размерами зоны проникновения фильтрата бурового раствора (несколько десятков сантиметров и более), а повторные исследования в обсаженном стволе, как правило, невозможны. Более того, используемые в регионах петрофизические зависимости не в полной мере учитывают степень глинизации и минеральный состава пород, слагающих тонкие слои, и их возможную недонасыщенность. В обстановке значительной площадной литологической изменчивости и вертикальной неоднородности (слоистости) большинства продуктивных объектов, низкой минерализации пластовых вод и различия условий вскрытия пластов бурением применение эталонных петрофизических зависимостей для оценки нефтенасыщенности глинистых коллекторов по электрическому сопротивлению нередко становится трудной задачей. К тому же использование полимерных буровых растворов сокращает применение традиционных электрических методов исследования.
Однако проблему можно решить за счет внедрения новых методов геофизических исследований в скважинах и методик комплексной геологической интерпретации - в первую очередь, как нам представляется, метода волнового акустического каротажа (ВАК).
Цифровая регистрация полных волновых пакетов в скважинах открывает огромные дополнительные возможности как в части выделения полезных сигналов, подавления разнообразных помех, точной оценки акустических параметров разреза скважины, так и в части геологической интерпретации. Совместный анализ информации о продольных и поперечных волнах, волнах Лэмба и, как правило, увеличенный радиус исследования, достигаемый за счет увеличения длины зондов и расширения спектра возбуждаемого сигнала в область нижних частот, позволяют количественно оценивать насыщение, его характер и определять коллекторские свойства пород, в том числе и в обсаженных скважинах.
Помимо применения для решения традиционных промыслово-геофизических задач, материалы волновой акустики должны послужить основой информационной базы детальной интерпретации данных сейсморазведки, в том числе методов математического моделирования, распознавания образов и определения статистических зависимостей сейсмических параметров от особенностей строения среды (Крылов Д.Н., 2002; Krilov D., 2002). В то же время опыт и богатейший сейсмический арсенал преобразований волновых полей оказываются востребованным и для обработки данных ВАК.
В данной статье проанализированы результаты применения ВАК с целью определения нефтенасыщенности юрских терригенных коллекторов Кислорского месторождения и изложены основные причины, потребовавшие усовершенствования практики стандартной геологической интерпретации комплекса данных ГИС на этом месторождении.
Кислорское месторождение расположено на территории Ханты-Мансийского AO-Югра Западной Сибири в пределах Фроловской нефтегазоносной области Казымского нефтегазоносного района. Здесь наиболее перспективен нижне-среднеюрский осадочный комплекс, представленный песчано-глинистыми разностями. Отложения средней юры (“тюменские” пласты), в число которых входят основной эксплуатируемый (Ю2) и сопутствующий (Ю3-4) объекты, хотя и повсеместно прослеживаются по площади, имеют существенно неоднородный характер строения и осложнены частыми фациальными переходами и тонкослоистым переслаиванием песчано-глинистых пород. Качество коллекторов месторождения оценивается как невысокое и значительно реже как среднее. Средний текущий дебит нефти по скважинам составлял до недавнего времени от 2 до 4 т/сут. Неравномерная глинизация, тонкослоистое строение и недонасыщенность коллекторов Ю2 и Ю3-4 служили основным препятствием достоверной оценки их нефтенасыщенности на основе стандартных данных ГИС, не говоря уже о данных сейсморазведки.
Особенно обидно было осознавать то, что одной из возможных причин низкой продуктивности скважин являлось частичное, неполное вскрытие нефтенасыщенных интервалов (в основном по пласту Ю3-4), производимое по данным оперативной интерпретации ГИС. Такое предположение возникло в процессе анализа результатов опробования и эксплуатации скважин Кислорского месторождения, данных исследования керна и их сопоставления с заключениями интерпретаторов ГИС Няганской ГЭ. В результате комплексного анализа, выполненного в НПЦ-1 ОАО “РИТЭК”, оказалось, что по имевшимся заключениям в 8 разведочных и 20 эксплуатационных скважинах занижены коэффициенты пористости и нефтенасыщенности, а также нефтенасыщенные толщины пластов. Одной из причин, по всей видимости, стало использование неадаптированных петрофизических зависимостей в алгоритмах машинной интерпретации диаграмм ГИС (использовались зависимости, полученные по Талинскому месторождению в 80-х гг.). Повторные заключения, выполненные по скв. 315, 322, 324 Кислорского месторождения, подтвердили неоднозначность существовавшей интерпретации и необходимость коррекции полученных результатов.
В этих условиях, учитывая, что месторождение находится в эксплуатации с заводнением в течение многих лет, геологической службой ОАО "РИТЭК” было принято решение произвести пробную оценку текущей нефтенасыщенности коллекторов Ю2-Ю3-4 способом широкополосного ВАК. Методический контроль над исследованиями ВАК в скважинах и проведение последующей геологической интерпретации были возложены на специалистов кафедры ГИС РГУНГ им. И.М. Губкина. Волновой акустический каротаж проводился в четырех скважинах (310, 316, 318, 322) Кислорского месторождения.
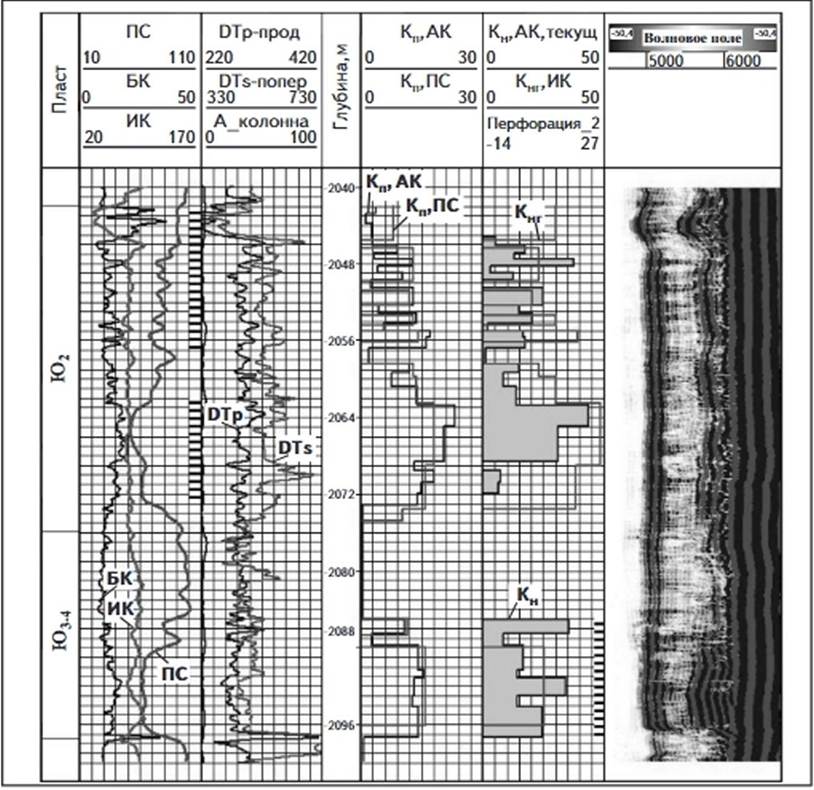
По результатам обработки и интерпретации материалов ВАК в скв. 316 (рисунок) были уточнены открытая пористость и эффективные толщины коллекторов. Дифференциация коллекторов юрских отложений по пористости, определенной по методу ВАК, оказалась существенно выше, чем по методу ПС, поскольку акустический метод обладает гораздо более высокой вертикальной разрешающей способностью. Качество цементирования обсадной колонны в интервале продуктивных коллекторов оценивается по акустическому методу как хорошее. Пласт Ю2 вскрыт перфорацией, однако качество гидродинамической сообщаемости пласта со скважиной по данным ВАК низкое.
Сравнение текущей нефтенасыщенности коллекторов, определенной по ВАК, с начальной нефтенасыщенностью, оцененной по электрическим методам, показало, что выработка продуктивных пластов идет неравномерно. Кровля пласта Ю2, представленная чередованием тонких прослоев песчаников и аргиллитов, практически не затронута разработкой. Нижняя часть пласта Ю2 с высокими коллекторскими свойствами обводнена по подошве. Пласт Ю3-4 не перфорирован и разработкой не затронут, в его кровле по данным ВАК выявлен дополнительный проницаемый пропласток с повышенной нефтенасыщенностью.
Анализ новой геофизической информации и промысловой обстановки позволил рекомендовать к освоению в скв. 316 пласт Ю3-4. Аналогичные рекомендации были выработаны для скв. 310 Кислорского месторождения.
Дополнительное освоение рекомендованных интервалов (пласт Ю3-4) обычной перфорацией позволило увеличить дебит всех исследованных скважин по нефти в 1,3-3,1 раза. Так, в скв. 310 дебит увеличился с 2,0 до 5,1 т/сут, а в скв. 316 после перфорации интервала 2085-2097 м дебит возрос с 5,6 до 12,2 т/сут.
Таким образом, использование материалов ВАК дало возможность подключить к разработке ранее пропущенные и недоосвоенные продуктивные интервалы и существенно увеличить средний дебит нефти четырех исследованных скважин (с 2,85 до 6,03 т/сут).
Если ранее в конце 80-х гг. по энергетическим характеристикам продольных волн (мгновенная амплитуда сигнала, затухание) удавалось успешно решать задачу выделения только газонасыщенных интервалов на качественном уровне (Ивакин Б.Н., Карус Е.В., Кузнецов ОЛ., 1978; Крылов Д.Н., Шилин К.К., 1991), то теперь, благодаря возможности дополнительной регистрации всех составляющих волновых полей в стволе скважины, с высокой достоверностью осуществляются количественный прогноз нефтенасыщенности коллекторов, оценка динамической пористости, проницаемости и совершенства гидродинамической сообщаемости со скважиной (Добрынин В.М., Городнов А.В., Черноглазов В.Н., 2001; Черноглазое В.Н., Городнов А.В., Крылов Д.Н., 2003). Кроме того, полученные результаты имеют дополнительное методическое значение, поскольку объектом исследований являлись сложнопостроенные терригенные коллекторы юрского возраста, характеризуемые неравномерным распределением глинистого материала, тонкослоистым строением и невыдержанной геометрией залегания по площади.
Полученные данные ВАК позволили также уточнить наши представления о характере залегания и литологических особенностях осадочной толщи средней юры на Кис- лорском месторождении, которая существенно осложнена наличием тонких разнородных прослоев, малоразмерных водонасыщенных линз, частым переслаиванием песчано-глинистых пород.
Успешное осуществление мероприятий по разработке таких крайне сложных для освоения месторождений невозможно без их тщательной промыслово-геологической проработки, без применения инновационных технологий геофизических исследований. Мы возлагаем большие надежды на внедрение для исследования месторождений ОАО “РИТЭК” в самом ближайшем будущем аппаратуры многозондового акустического каротажа типа АМАК-2 разработки ВНИИгеосистем. Многоканальная регистрация (16 приемников) полезного акустического сигнала позволит расширить набор процедур обработкии число анализируемых параметров, одновременно оценить качество цементирования скважины и параметры прискважинной зоны, существенно повысив при этом степень достоверности геологических заключений.
© Коллектив авторов, 2003
The article examines the very sore for West Siberia problem. In standard interpretation of standard complex of well logging, oil saturated sequences are generally omitted. This problem is very significant for productive reservoirs of Tyumen suite. It is recommended wide applying and thorough interpreting of wave accoustic logging method (WAL).
On the example of several wells of Kislorsk field it is shown that Yu4 bed characterizing by admissible rock-fluid system and considered as water-bearing, is actually oil-saturated at least in near-top part, that is based on WAL method and proved by drilling. This bed efficiency allows significantly (up to three times) increase production rates of development wells.
Рисунок АНАЛИЗ ТЕКУЩЕГО СОСТОЯНИЯ ВЫРАБОТКИ ПЛАСТОВ в скв. 316 КИСЛОРСКОГО МЕСТОРОЖДЕНИЯ
