ПРОГНОЗ ГЛУБИННЫХ ЗОН ОБРАЗОВАНИЯ И НАКОПЛЕНИЯ УГЛЕВОДОРОДОВ В ЦЕНТРАЛЬНОЙ ЧАСТИ ЮЖНО-КАСПИЙСКОГО НЕФТЕГАЗОНОСНОГО БАССЕЙНА
Э.Г. Алиева (ИГ НАН Азербайджана)
Для Южно-Каспийского нефтегазоносного бассейна (НГБ) прогноз нефтегазоносности на больших глубинах имеет особое значение. Наличие сверхмощной осадочной толщи, достигающей по последним данным 32 км в самой глубокопогруженной части Южно-Каспийской депрессии, обусловило возникновение аномально низкого геотермического градиента и высокого пластового давления, что позволяет предположить наличие “растянутой” зоны нефтегазогенерации. Кроме того, сверхмощная (7 км) терригенная толща нижнего плиоцена (продуктивная и красноцветная толщи), образовавшаяся в результате лавинной седиментации, представляет собой прекрасный коллектор. Таким образом, формирование крупных скоплений УВ на больших глубинах представляется вполне закономерным.
Обобщенные в данной статье исследования по сверхглубоким скважинам и выбросам грязевых вулканов, дающие информацию о геологических и термобарических условиях на глубине до 14 км, а также анализ фациальных условий и архитектуры резервуаров продуктивной толщи в Южно-Каспийском НГБ легли в основу модели нефтегазогенерации и аккумуляции углеводородов на больших глубинах в Южно-Каспийской впадине.
Очаги УВ-генерации в Южно-Каспийском НГБ
Систематизация многочисленных данных бурения глубоких скважин по всему миру свидетельствует о возможности погружения главной фазы нефтеобразования (ГФН) до глубины 2,5-6,0 км, а главной фазы газообразования (ГФГ) - до глубины 6-9 км и ниже [2], что подтверждается также результатами исследований грязевулканических выбросов.
В соответствии с детальными стратиграфическими и литологическими исследованиями выбросы грязевых вулканов в Южно-Каспийском НГБ охватывают широкий стратиграфический интервал от верхнего мела до плиоцена и дают информацию с глубины 12-14 км. По данным пиролиза грязевулканической брекчии содержание органического углерода в отложениях Майкопа и миоцена может доходить до 12,39 %, а водородный индекс (HI) составляет более 500 мг УВ/г Сорг, [3]. Так, в брекчии вулкана Большой Кянизадаг (Азербайджан) майкопского возраста из интервала 5400-6100 м установлено значение HI 140 мг УВ/г Сорг (рис. 1) [3]. В районе вулкана Отманбоздаг (Азербайджан) также в выбросе из майкопской серии, залегающей здесь в интервале 5150-6625 м, установлено очень высокое значение HI - 588 мг УВ/г Сорг (см. рис. 1).
Как показали исследования, тип ОВ является одним из решающих показателей, определяющих нефтегазогенерационный потенциал отложений. Образование УВ в сапропелевом ОВ может иметь место в широком интервале градаций катагенеза от МК1 до АК3 и большом температурном диапазоне.
Полученные данные подтверждают вывод Л. Прайса, который считает, что генерация жидких УВ в промышленных количествах может происходить в отложениях с керогеном II типа даже при температуре 200 °С и выше и отражательной способности витринита R0 = 1,35 % [5]. Таким образом, можно говорить о “растянутой” зоне УВ-образования для OB II типа в нефтегазоносных бассейнах с аномально низкими значениями геотермического градиента, подобно Южно-Каспийскому НГБ, в отдельных частях которого значения этого показателя падают до 1,35 °С /100 м [1, 4]. Согласно кумулятивной кривой, составленной по данным изучения глубоких скважин западного борта Южно-Каспийской впадины, температура 60 °С достигается на глубине 4 км, 100 °С - 6,2 км (рис. 2). Здесь же отмечаются аномально высокие значения пластового давления, достигающие 10 км водяного столба и более на глубине 5 км.
Таким образом, Южно-Каспийский НГБ является одним из самых “холодных” в мире. В этой связи особый интерес представляет местоположение главной фазы УВ-образования в осадочном разрезе Южно-Каспийского НГБ.
I. Lerche [4] был проведен ряд прогнозных построений для различных участков Южно-Каспийского НГБ. Согласно полученным моделям в районе участка азербайджанского шельфа и континентального склона, расположенного между структурами Сабаил и Зафар-Машал (рис. 3), температура 60 °С достигается на глубине 3000 м, 100 °С - 6500 м, 200 °С - 14000 м. Здесь же R0 достигает пороговых значений, присущих зрелому в отношении генерации углеводородов ОВ: 0,6 % на глубине 10 км; около 0,8 % - 10,5-11,0 км; около 0,9 % - 12 км; 1,3 % - 13 км; 1.6 % - 14 км; 2,0 % - 15 км.
Таким образом, согласно прогнозируемым значениям Т и R0 в районе западного шельфа и континентального склона Южно-Каспийской впадины зона “нефтяного окна” погружается на глубину 10 км с нижней границей 13 км. Пик нефтегенерации приходится на интервал 11-12 км, что отвечает интервалу распространения майкопских отложений. Можно прогнозировать, что “газовое окно” располагается в интервале 13-14 км (рис. 4).
Согласно тем же самым прогнозным построениям [4] для абиссальной зоны Южного Каспия температура в осадочном разрезе достигает 100 °С на глубине 7-8 км и 200 °С - на глубине 15 км. Это наиболее погруженный участок, располагающийся между структурами Зафар-Машал и Алов (см. рис. 3). При этом значения R0 = 0,6 % отмечаются в интервале 10-12 км; около 0,9 % - 14-15 км; 1,3 % - 16 км; 1.6 % - 17-18 км. Анализируя эти результаты, можно предположить, что в наиболее погруженной зоне центральной части Южно-Каспийской впадины - участок Зафар- Машал-Алов - зона “нефтяного окна” расположена в интервале 10-16 км, что отвечает распространению майкопской и диатомовой свит. Пик генерации приходится на диатомовые отложения, залегающие в интервале 14-15 км. Расположение “газового окна” отвечает интервалу 16-18 км (см. рис. 4, 5).
Очевидно, что ГФН отвечает интервалу распространения майкопской и диатомовой свит, представляющих собой основные нефтематеринские породы в Южно- Каспийском НГБ.
До глубины 20 км можно предполагать наличие процесса метанообразования. Таким образом, зона УВ-образования в абиссальной части Южно-Каспийской впадины с наиболее мощной осадочной толщей практически “растянута" до фундамента.
На основе анализа данных [4] прогнозируется также расположение ГФН и ГФГ на туркменском шельфе. Значения R0 здесь составляют 0,6 % на глубине примерно 10,5-11,0 км; 0,77 % - 11,5 км; 0,9 % - 12 км; 1,3 % - 12,5 км; 1,6 % - 13,0-13,5; 2,0 % - 14-15 км. Таким образом, верхняя граница зоны "нефтяного окна” здесь несколько опускается на глубину 10,5-11,0 км.
В целом можно предположить, что главная фаза УВ-образования имеет место в интервале 11,0-13,5 км, что соответствует диапазону распространения отложений майкопской свиты и эоцен-палеоцена (см. рис. 4).
Анализируя построенные модели, необходимо отметить, что от бортовых частей к центру Южно- Каспийской впадины наблюдается погружение нижних границ “нефтяного” и "газового” окон и увеличение протяженности зоны УВ-образования в вертикальном разрезе. Если в бортовых частях Южно-Каспийского НГБ в ГФН вовлечены средне-верхнемиоценовые и майкопские отложения, то по мере погружения бассейна, сопровождаемого падением геотермического градиента и как следствие низкой термической зрелостью ОВ в более верхних горизонтах осадочного чехла, пик нефтегенерации приходится на майкопские отложения. Это относится к району западного шельфа Южного Каспия, однако далее вглубь бассейна к его центральной части вследствие увеличивающегося прогибания и формирования осадочных свит огромной мощности диатомовые отложения вновь входят в зону пика нефтегенерации, хотя в пределах ГФН находится и майкопская серия. В целом согласно построенным моделям в этой части Южно-Каспийского НГБ можно прогнозировать наличие огромной зоны УВ-образования, достигающей протяженности 10 км и доходящей практически до фундамента.
Архитектура резервуаров и зоны аккумуляции УВ в Южно-Каспийской впадине
Основным нефтегазосодержащим комплексом в Южно-Каспийском НГБ являются продуктивная толща нижнего плиоцена (ПТ) на западном борту Южно-Каспийской впадины и ее стратиграфический аналог на восточном борту - красноцветная толща, содержащие до 90 % всех запасов нефти и газа в Южно-Каспийском НГБ. Как показывают проведенные исследования, решающим фактором формирования резервуаров в раннем плиоцене явилась существенная смена палеофациальных условий в результате резких кратковременных колебаний уровня Палеокаспия в раннем плиоцене.
Осадконакопление в это время протекало в условиях маленького изолированного бассейна в области Южного Каспия, аккумулировавшего всю огромную массу терригенного материала, поставляемого тремя крупнейшими речными артериями - Палеоволгой, Палеоамударьей, Палеокурой. Лавинная седиментация со скоростью, достигавшей 2,5 мм/год, и большие темпы прогибания дна бассейна в раннем плиоцене привели к формированию уникальной 7-км терригенной толщи, именуемой на западном борту Южно-Каспийской впадины продуктивной и состоящей из девяти продуктивных свит - калинской, подкирмакинской, кирмакинской, надкирмакинской песчаной, надкирмакинской глинистой, свиты перерыва, балаханской, сабунчинской, сураханской.
На основе анализа смены палеофациальных условий в вертикальном и латеральном направлениях по данным изучения обнажений ПТ на Апшеронском полуострове (Кирмакинская и Ясамальская долины), а также по интерпретации каротажных диаграмм ряда скважин месторождения Бахар, расположенного в Бакинском архипелаге в пределах Апшеронского нефтегазоносного района в 40 км от Баку (см. рис. 3), выделяется широкий спектр условий осадконакопления от типично флювиальных до озерных фаций. Месторождение Бахар с общей мощностью ПТ до 5 км находится в пределах Южно-Апшеронского прогиба, представляющего собой глубокопогруженную часть Южно-Каспийской впадины. Вдоль месторождения Бахар был выбран профиль, ориентированный в юго-юго-восточном направлении, что отражает направление большинства палеопотоков во время формирования ПТ.
В данной статье представлены результаты изучения пяти свит, представляющих собой наиболее продуктивную часть разреза, - кирмакинской, надкирмакинской песчаной, надкирмакинской глинистой, свиты перерыва, балаханской.
В характере поведения каротажных кривых четко выделяются два тренда - серии пород с укрупнением размера зерен осадка вверх по его профилю и пачки с умельчением размеров зерен вверх по разрезу. Соответственно этим двум типам осадочных серий выделяются различные палеофациальные обстановки. В первом случае это, как правило, устьевые бары или отложения, формирующиеся во время половодья, когда зачастую имеют место прорыв берегов и накопление более грубых разностей на илистых осадках поймы реки. Второй случай характерен для флювиальных каналов - русло и протоки реки.
В кирмакинской свите нижнего отдела ПТ, как показывает анализ кривых ПС и гамма-каротажа, преимущественно отмечаются серии, характеризующиеся укрупнением размеров зерен вверх по профилю осадка, переходящие в юго-восточном направлении в монотонные глинистые пачки. Небольшие каналы отмечаются крайне редко в северо-восточной части месторождения.
Обращает на себя внимание быстрая смена в латеральном направлении фациальных условий - от дельтовой равнины, что наблюдается в Кирмакинской долине, до отложений фронта дельты и типично озерных в юго-западной части площади Бахар. В вертикальном разрезе ПТ месторождения Бахар смена условий осадконакопления протекает довольно вяло, варьируя в пределах дистального фронта дельты или озерных обстановок. Можно отметить только два цикла колебаний уровня моря, не сопровождаемых какими-либо значительными фациальными сдвигами.
Развитие следующей свиты - надкирмакинской песчаной - происходило в условиях падения уровня моря, приведшего к постепенной проградации дельты Волги, которая в отдельные этапы формирования этой свиты располагалась южнее площади Бахар (рис. 6) В эти периоды непосредственно на Бахаре отмечаются протяженные, врезающиеся друг в друга речные каналы, заполненные песчаным материалом. Однако по сравнению с надкирмакинской песчаной свитой Кирмакинской долины отложения этой свиты на Бахаре выглядят как сформировавшиеся в более удаленных от береговой зоны обстановках. Песчаные пачки, представляющие собой канальные тела, неглубокие, характеризуются хорошей вертикальной сообщаемостью, но ограниченной латеральной связью даже в периоды низкого стояния моря. Таких периодов отмечается два в течение накопления осадков рассматриваемой свиты. Следующий затем подъем уровня моря сопровождался сменой условий осадконакопления от дельтовой равнины до фронта дельты, причем первые характеризовались формированием достаточно протяженных мелких протоков, изолированных друг от друга в вертикальном и латеральном направлениях. Сформировавшиеся в условиях фронта дельты песчаные отложения имеют спорадический характер, неглубокие и изолированные друг от друга.
Отмечаются один полный цикл и один полуцикл колебаний уровня моря, стадия самого низкого стояния которого сопровождалась формированием двух эрозионных поверхностей, представляющих собой границы последовательностей. Нахождение галек в подошве песчаных тел в разрезе надкирмакинской песчаной свиты в Кирмакинской долине подтверждает этот вывод. Резкая смена фациальных условий в пределах этой свиты доказывает, что колебания Каспийского моря во время ее формирования имели значительно более резкий, частый и широкоамплитудный характер.
Переход к следующей самой глинистой свите ПТ - надкирмакинской глинистой имел место в условиях поднимающегося уровня моря (см. рис. 6). В средней части свиты отмечаются латерально протяженные тонкие песчаные пачки, неглубоко врезающиеся в подстилающие отложения и не имеющие ни латеральной, ни вертикальной связи, которые могли быть образованы в условиях периодически прорезаемой каналами поймы реки или дельтовой равнины. Находки многочисленных трещин усыхания в отложениях надкирмакинской глинистой свиты Кирмакинской долины подтверждают существование именно таких условий в середине века накопления этой свиты. Вверх и вниз по ее разрезу число песчаных тел и их размеры существенно сокращаются. В самой верхней части свиты развиты только достаточно мощные глинисто-алевритовые осадки, характеризующиеся укрупнением размера зерен вверх по профилю осадка.
Подобные изменения в стратиграфической архитектуре представляют собой, на наш взгляд, плавный переход от условий поймы реки к авандельтовым (фронт дельты) и типично озерным фациям. В целом же в пределах данной свиты отмечается один полный цикл колебаний уровня моря с периодом его самого низкого стояния, приходящимся на середину этапа формирования свиты. Отложения поймы реки или дельтовой равнины составляют примерно 1/3 общей мощности свиты, что говорит о достаточной длительности стадии низкого стояния.
Формирование следующей свиты - свиты перерыва, представляющей собой одну из основных продуктивных единиц в Южно-Каспийском НГБ, имело место в условиях неоднократных резких колебаний уровня моря и смены фациальных обстановок по разрезу (рис. 7). Отмечаются три этапа низкого стояния моря, сопровождаемые значительной проградацией дельты, развитием разветвленной речной системы и формированием эрозионных поверхностей, которые могут рассматриваться как границы последовательностей. Залегающие в подошве свиты перерыва галечниковые конгломераты, хорошо обнажающиеся в Кирмакинской долине, подтверждают этот факт. Неоднократно повторяющиеся серии осадков, характеризующиеся более крупными разностями в кровле, очевидно, свидетельствуют о наличии отложений, образованных во время половодья и прорыва речных берегов.
Таким образом, при общей мощности свиты перерыва на месторождении Бахар 135 м здесь отмечаются три осадочных цикла, отличающихся очень резким характером колебаний уровня моря с большими перепадами и амплитудой. Очевидно, что в стадии самого низкого стояния уровня моря дельта Палеоволги располагалась значительно южнее площади Бахар.
Переход к следующей свите ПТ - балаханской - происходил в условиях высокого стояния моря с формированием обстановок фронта дельты на площади Бахар (см. рис. 7). Однако эта фаза развития бассейна характеризуется своей кратковременностью и резко сменяется этапом падения уровня моря, приведшим к очередному значительному фациальному сдвигу и развитию на Бахаре разветвленной речной системы в начале века накопления балаханской свиты (X горизонт балаханской свиты). Наблюдается довольно хорошая латеральная связь речных каналов при их ограниченной вертикальной сообщаемости. Переход вверх по профилю осадка от песков к алевритовым разностям представляет, на наш взгляд, результат заиления каналов, а пачки, характеризующиеся трендом изменения размеров зерен от мелких до более крупных в верхах, могут рассматриваться как результат прорыва речных берегов, затопления поймы реки и отложения более грубых разностей на алевритоглинистых пойменных образованиях.
Вверх по разрезу X горизонта балаханской свиты преобладающими в пределах всего месторождения становятся фации дельтовой равнины. Размеры и протяженность речных каналов значительно сокращаются, а осадочные серии с увеличивающимся вверх по профилю осадка размером зерен становятся доминирующими.
Выше по разрезу наблюдается плавный переход к условиям авандельты, которыми заканчивается второй осадочный цикл и начинается третий, характеризующийся сменой палеообстановок от фронта дельты, формирующихся в течение стадий высокого стояния моря, до дельтовой равнины и флювиальных, имеющих место во время самого низкого уровня моря. Таким образом, можно отметить, что колебания уровня моря во время формирования свиты перерыва и базальной части X горизонта балаханской свиты, представляющих собой основные объекты разработки, носили резкий характер с быстрой сменой знака движений и развитием здесь неполных циклов седиментации. В средней и верхней частях X горизонта условия осадконакопления не меняются столь резко, хотя амплитуда колебаний уровня моря большая и диапазон сменяющих друг друга фаций довольно широк.
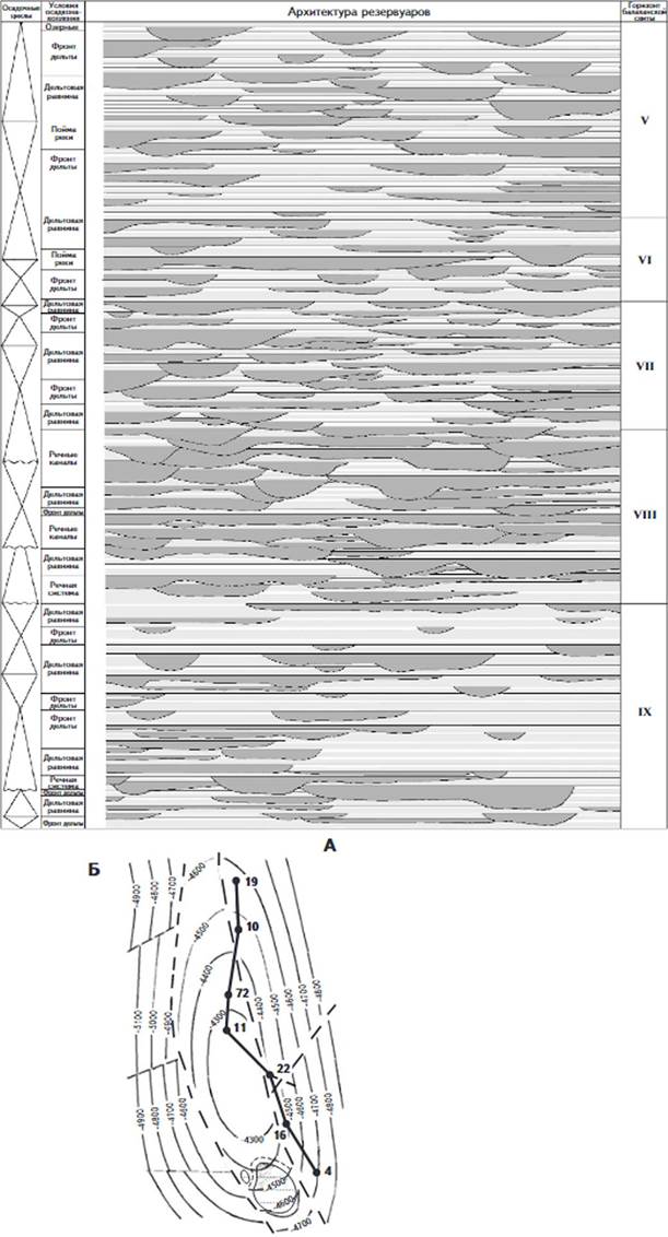
Следующий четвертый высокочастотный осадочный цикл, отмечаемый в низах IX горизонта балаханской свиты, характеризуется еще меньшей амплитудой колебаний уровня моря, развитием в пределах цикла фаций фронта дельты во время высокого стояния и дельтовой равнины в течение низкого стояния моря (рис. 8). Затем вновь отмечается резкое падение уровня моря, приведшее к проградации дельты Палеоволги, которая, очевидно, располагалась значительно юго-юго-восточнее площади Бахар. В пределах самого месторождения отлагались мощные песчаные пачки, представляющие собой канальные тела с небольшими интервалами алевритовых пород, переходящих вверх в песчаные разности, и являющиеся, по-видимому, отложениями баров. Время формирования флювиальной системы было недолгим. Выше по разрезу отмечается смена фаций, которая наблюдается также и по площади месторождения. Если в начале профиля в северо-восточной части изучаемой территории отмечаются фации дельтовой равнины, то в юго-юго-восточном направлении имеет место переход к обстановкам авандельты.
Пятый цикл (полуцикл) завершается довольно мощной глинистой пачкой, отлагавшейся в условиях фронта дельты. Заканчивается разрез IX горизонта коротким шестым циклом, отличающимся малоамплитудными колебаниями уровня моря, и началом седьмого цикла, знаменующего собой возврат к режиму резких контрастных колебаний уровня моря и развитие неполных осадочных циклов, для которых характерно отсутствие отложений, формирующихся в условиях, переходных от этапов высокого стояния моря к его низкому положению. Таких резких скачков уровня моря, приведших к формированию разветвленной речной системы на площади Бахар, в пределах VIII горизонта балаханской свиты отмечается три (см. рис. 8). В целом VIII горизонт характеризуется превалированием речных фаций по сравнению с другими горизонтами балаханской свиты.
Вверх по разрезу темп колебаний уровня моря значительно замедляется. Имеющие место в пределах VII и VI горизонтов два кратковременных цикла не привели к резким изменениям фациальных условий. В самом верхнем V горизонте балаханской свиты, как нам представляется, развиты фации поймы реки. Латерально протяженные маломощные песчаные пачки, неглубоко врезающиеся в подстилающие их серии, интерпретируются как ответвления от основного русла, а пачки, характеризующиеся укрупнением размеров зерен вверх по профилю осадка, - как пойменные отложения. Сравнение с результатами изучения обнажений балаханской свиты на Апшеронском полуострове показывает возрастание в разрезе доли красных глинистых прослоев, формировавшихся в аэробных условиях. Этот факт свидетельствует о доминировании в пределах V горизонта пойменных условий на Апшеронском полуострове. Однако это носило неповсеместный характер. В юго-юго-восточном направлении, возможно, имел место сдвиг к более дистальным фациям дельтовой равнины или авандельты, формировавшихся в течение кратковременных подъемов уровня моря.
Таким образом, в целом в пределах балаханской свиты выделяются 13 мелкомасштабных циклов колебаний уровня моря, приведших к смене палеофациальных обстановок. В пределах установленных циклов отмечаются различные типы палеообстановок, формирующиеся в результате высокочастотных колебаний уровня моря, - от проксимальных флювиальных условий и фаций дельтовой равнины до дистальных обстановок фронта дельты и типично озерных. Понижение уровня моря сопровождалось проградацией (продвижением) дельты Палеоволги, формированием разветвленной речной системы с хорошо латерально и вертикально связанными песчаными телами. Данные стадии развития бассейна характеризовались наибольшей скоростью осадконакопления и образованием мощных песчаных пачек, являющихся хорошими коллекторами.
Следующее затем повышение уровня моря приводило к ретроградации (отступанию) дельты и смене флювиальных фациальных условий на обстановки фронта дельты, характеризующиеся накоплением латерально прослеживаемых глинистых слоев и ограниченно развитых изолированных песчаных тел, являющихся продолжением речных каналов на шельф. Подобные глинистые пачки могут рассматриваться в качестве покрышек.
Таким образом, отчетливо прослеживается влияние кратковременных циклов развития Каспийского моря в раннем плиоцене на образование осадочных серий и строение резервуаров ПТ. В целом таких циклов в результате анализа шести из девяти свит ПТ, начиная с кирмакинской свиты и кончая сабунчинской, установлено 27. Учитывая тот факт, что продолжительность времени накопления всей ПТ составляет около 2 млн. лет (5,5-3,5 млн. лет), можно предположить, что длительность каждого цикла не превышала нескольких тысяч лет, что сопоставимо по масштабам с голоценом. Принимая во внимание амплитуду колебаний уровня моря в голоцене, которая составила около 25 м (самое низкое стояние Каспийского моря во время мангышлакской регрессии составило -48... -50 м, высокое - -23 м), можно предположить, что размах колебаний Каспия в пределах каждого выделенного цикла был столь же существенен.
Проведенный выше анализ позволяет сделать некоторые прогнозы относительно обстановок осадконакопления и существования коллекторов в более глубоководной зоне Южно-Каспийского НГБ. Согласно сейсмическим данным, показывающим отсутствие клиноформ в кирмакинской и вышезалегающих свитах, градиент уклона дна в Южно-Каспийском НГБ во время формирования большей части ПТ был очень низким (Кrооnеnberg S.B. et al., 2002). При таком пологом склоне в условиях маленького изолированного бассейна, каковым являлся Палеокаспий в раннем плиоцене, любые колебания уровня моря могли сопровождаться значительным перемещением фациальных зон на многие километры, формированием протяженных однофациальных поясов, что очевидно из приведенной выше интерпретации условий осадконакопления ПТ на Апшеронском полуострове и площади Бахар. Так, флювиальные фации отмечаются в свите перерыва и ряде горизонтов балаханской свиты как в пределах Апшеронского полуострова, так и на Бахаре, находящемся в ~50 км от обнажения этих свит на Апшероне. Закономерно предположить, что, следуя юго-юго-восточному направлению палеопотоков в раннем плиоцене, в районе структуры Зафар-Машал (см. рис. 3) могла располагаться проксимальная или дистальная часть дельты Палеоволги в отдельные этапы формирования ПТ, характеризующиеся наиболее значительным падением уровня Каспия и существенной проградацией дельты вглубь бассейна. Такие этапы имели место, как уже отмечалось выше, в свите перерыва, базальной части X горизонта и VIII горизонте балаханской свиты. Как следует из приведенного выше анализа строения резервуаров, в подобных фациальных условиях следует ожидать образования достаточно латерально протяженных песчаных пачек, иногда с хорошей вертикальной сообщаемостью. Подобные песчаные тела могут рассматриваться как потенциальные коллекторы, а разделяющие их глинистые прослои - как покрышки.
Возможно также предположить, что в отдельные этапы наибольшего падения уровня моря могло происходить продвижение отдельных протоков еще более вглубь бассейна, где могли формироваться наиболее дистальные части палеодельты Волги. В настоящее время это центральная глубоководная зона Южного Каспия. Таким образом, при наличии мощной 7-км ПТ в этой части Южно-Каспийского НГБ закономерно предположить существование в ней неоднократно повторяющихся, ограниченных глинистыми прослоями песчаных коллекторов, сложенных осадками Палеоволги. Необходимо отметить также и тот факт, что качество резервуаров волжской фации является наилучшим в Южно-Каспийском НГБ.
Суммируя вышеприведенный фациальный анализ с результатами моделирования зон нефтегазогенерации общей мощностью до 10 км в центральной, наиболее погруженной части Южно-Каспийской впадины, закономерно предположить наличие крупных скоплений УВ и мощного флюидопотока в этой части бассейна. Результаты комплексных геохимических и гидрохимических исследований донных осадков, иловых растворов и морской воды в центральной глубоководной зоне Южного Каспия доказывают это предположение.
Многокомпонентная геохимическая аномалия в донных осадках и морской воде глубоководной зоны Южного Каспия
По результатам изучения комплекса геохимических, гидрогеохимических и газовых показателей в районе расположения структур Араз и Алов выявлена крупная многокомпонентная аномальная зона (Гулиев И.С., Алиев С.А., Алиева Э.Г., Мурадов И.С., 2000) (см. рис. 3).
Аномально высокие значения изученных показателей сохраняются по всему вертикальному профилю осадка и морской воды. Так, в этой зоне резко растет степень битуминизации ОВ, достигающая 12-13 % при общем сингенетическом фоне 3 % (рис. 9, А, Б). Меняется компонентный состав битума, доля масляной фракции в котором возрастает до 45 %. Такое количественное преобладание масляной фракции в составе битумоидов обычно имеет место при их эпигенетическом характере. В иловых растворах в указанной зоне также устанавливаются аномально высокие значения некоторых прямых индикаторов, указывающих на наличие залежей нефти и газа (Зорькин Л.М.,
Лопатин Н.В., 1980). Отношение аммония к йоду превышает фоновые значения в 4 раза в верхнем полуметровом слое осадка и в 7 раз - в интервале от 0,5 до 1,5 м (см. рис. 9 В, Г).
Аналогичные результаты получены также при изучении содержаний УВ-газов в придонном и поверхностном слоях морской воды.
Таким образом, проведенный анализ показывает, что в центральной глубоководной части Южно-Каспийской впадины, характеризующейся наибольшей мощностью осадочного чехла, достигающей 22 км, констатируется многокомпонентная аномальная зона, наличие которой подтверждает сделанный выше вывод о существовании огромного очага нефтегазогенерации и обширной зоны аккумуляции УВ, обусловивших, по-видимому, формирование крупных скоплений УВ и мощного флюидопотока в этой зоне.
Расположенные в этой зоне многочисленные грязевые вулканы могут рассматриваться как возможные каналы миграции флюидов в ловушки и поступления флюидопотока на поверхность (рис. 10).
Выводы
Результаты проведенного моделирования зон генерации и аккумуляции УВ в наиболее погруженной центральной части Южно-Каспийского НГБ позволяют прогнозировать наличие мощного очага генерации нефти и газа, достигающего по протяженности 10 км, а также существование многочисленных литологических ловушек, образованных вследствие фациальной неоднородности отложений и неоднократной смены условий осадкона- копления в разрезе. Данная часть Южно-Каспийского НГБ характеризуется также развитием многочисленных структурных ловушек. Все это дает возможность предположить наличие крупных скоплений УВ и мощного флюидопотока в центральной части Южно-Каспийского НГБ, что подтверждается результатами геохимических исследований. Многочисленные грязевые вулканы могут рассматриваться как каналы миграции флюидов в ловушки.
Литература
1. Алиев С.А., Мухтаров А.Ш. Геотермическое исследование в стволе скважины. Саатлинская сверхглубокая // Исследования глубинного строения Куринской межгорной впадины по материалам бурения Саатлинской сверхглубокой скважины СГ-1. - Баку: Nafta-Press, 1999. - С. 213-226.
2. Симаков С.Н., Аникиев К.А., Артамонова Т.П. Прогноз и оценка нефтегазоносности недр на больших глубинах. - Л.: Недра, 1986.
3. Isaksen G.H. et al. Geology and Geochemistry of Mud-Volcano ejecta, Azerbaijan // Join report of Exxon Ventures Inc. and Geology Institute of Azerbaijan. - 1999.
4. Lerche I. Evolution of the South Caspian basin: Geologic risks and probable hazards. - Baku: Nafta-Press, 1997.
5. Price L.C. The organic geochemistry (and causes thereof) of high-rank rocks from the Ralph Lowe-1 and other well bores // US Geological Survey, Open-file Report 88-651. - 1991. - P. 1-48.
© Э.Г.Алиева, 2003
Results of modelling of HC generation and accumulation zones in the deepest central part of South Caspian oil and gas basin make possible to predict the presence of vigorous focus of oil and gas generation attaining 10 km in length as well as existence of numerous lithological traps formed due to facial heterogeneity of sediments and repeated change in sedimentation conditions in the succession. The described part of South Caspian oil and gas basin is characterized by development of numerous structural traps. These data allow to suggest the presence of large HC accumulations and strong fluidflow in central part of South Caspian oil and gas basin that is confirmed by geochemical studies results. Numerous mud volcanoes could be considered as channels of fluid migration into traps.
Рис. 1 РЕЗУЛЬТАТЫ ГЕОХИМИЧЕСКИХ ИССЛЕДОВАНИЙ ОТЛОЖЕНИЙ МАЙКОПА И МИОЦЕНА

1 - тип ОВ: а-I, б-II, в-III; .2-данные по обнажениям майкопского возраста; 3 - данные по грязевулканическим выбросам: а - майкопского, б - позднемайкопского, в - позднемиоценового, г - сарматского, д - чокракского возраста; 4 - данные по керну: а - майкопского, б - эоценового возраста
Рис. 2. РАСПРЕДЕЛЕНИЕ ЗНАЧЕНИЙ ТЕМПЕРАТУР (А) И ДАВЛЕНИЙ (Б) В ОСАДОЧНОМ ЧЕХЛЕ ЮЖНО-КАСПИЙСКОЙ ВПАДИНЫ (по данным Багир-Заде ФА., Нариманова АД., Бабаева Ф.Р., 1988)

Рис. 3. СХЕМА РАСПОЛОЖЕНИЯ НЕФТЕГАЗОНОСНЫХ СТРУКТУР ЗАПАДНОГО БОРТА ЮЖНО-КАСПИЙСКОЙ ВПАДИНЫ

1 - антиклинальные структуры; 2- месторождения: а - нефтяные, б - газовые, в- нефтегазовые, г - газоконденсатные; 3- зона геохимических аномалий; долина: 1 - Кирмакинская, 2 - Ясамальская
Рис. 4. ПРОГНОЗИРУЕМОЕ РАСПОЛОЖЕНИЕ ОЧАГОВ УВ-ОБРАЗОВАНИЯ В ЮЖНО-КАСПИЙСКОЙ ВПАДИНЕ

Рис. 5. ПРОГНОЗИРУЕМОЕ ПОЛОЖЕНИЕ ОЧАГОВ УВ-ГЕНЕРАЦИИ НА СЕЙСМИЧЕСКОМ РЕГИОНАЛЬНОМ ПРОФИЛЕ ЧЕРЕЗ ЮЖНО-КАСПИЙСКУЮ ВПАДИНУ (по Мамедову IL, 1991)

1 - палеозойский фундамент; 2- гранитный слой; 3 - базальтовый слой; 4 - магматические породы мезозоя; 5 - глубинные разломы; 6 - разрывные нарушения; 7- поверхности несогласия; 8- очаг УВ-образования в Южно-Каспийской впадине
Рис. 6. ОСАДОЧНЫЕ ЦИКЛЫ, УСЛОВИЯ СЕДИМЕНТАЦИИ И АРХИТЕКТУРА РЕЗЕРВУАРОВ КИРМАКИНСКОЙ, НАДКИРМАКИНСКОЙ ПЕСЧАНОЙ И НАДКИРМАКИНСКОЙ ГЛИНИСТОЙ СВИТ (А) И СТРУКТУРНАЯ КАРТА
ПЛОЩАДИ БАХАР ПО ПОДОШВЕ X ГОРИЗОНТА (Б)

1 - речные каналы; 2- песчаные пачки; 3 - глинисто-алевритовые прослои; 4 - подъем (а) и падение (б) уровня моря; 5 - линия профиля, по которому построена архитектура резервуара; 6 - номер скважины; 7- линия разлома
Рис. 7. ОСАДОЧНЫЕ ЦИКЛЫ, УСЛОВИЯ СЕДИМЕНТАЦИИ И АРХИТЕКТУРА РЕЗЕРВУАРОВ X ГОРИЗОНТА БЛЛАХЛНСКОЙ СВИТЫ И СВИТЫ ПЕРЕРЫВА (А) И СТРУКТУРНАЯ КАРТА ПЛОЩАДИ БАХАР ПО ПОДОШВЕ X ГОРИЗОНТА (Б)

Усл. обозначения см. на рис. 6
Рис. 8. ОСАДОЧНЫЕ ЦИКЛЫ, УСЛОВИЯ СЕДИМЕНТАЦИИ И АРХИТЕКТУРА РЕЗЕРВУАРОВ 1X-V ГОРИЗОНТОВ БАЛАХАНСКОЙ СВИТЫ (А)
И СТРУКТУРНАЯ КАРТА ПЛОЩАДИ БАХАР ПО ПОДОШВЕ X ГОРИЗОНТА (Б)

Уел, обозначения см. на рис. 6
Рис. 9. КАРТЫ РАСПРЕДЕЛЕНИЯ ЗНАЧЕНИЙ БИТУМНОГО КОЭФФИЦИЕНТА, % (А, Б), u NH4/J (В, Г) В ДОННЫХ ОСАДКАХ КАСПИЙСКОГО МОРЯ

А, В - в интервале 0-0,5 м; Б, Г- в интервале 0,5-1,5 м
Рис. 10. ВОЗМОЖНЫЕ КАНАЛЫ ПОСТУПЛЕНИЯ ФЛЮИДОПОТОКА ИЗ ГЛУБОКОПОГРУЖЕННЫХ ГОРИЗОНТОВ ЦЕНТРАЛЬНОЙ ЧАСТИ ЮЖНО-КАСПИЙСКОЙ ВПАДИНЫ НА ЗЕМНУЮ ПОВЕРХНОСТЬ
