ФРАКТАЛЬНЫЕ ОБРАЗЫ ДИАГРАММ ГАММА-КАРОТАЖА В КОРРЕЛЯЦИИ ВЕРХНЕПЕРМСКИХ ОТЛОЖЕНИЙ ПРИРОДНЫХ РЕЗЕРВУАРОВ ТЯЖЕЛЫХ НЕФТЕЙ ЗАПАДНОГО ЗАКАМЬЯ
Н.Г. Нургалиева, Э.В. Утемов, В.Е. Косарев (КГУ)
Поиск и разведка мелких залежей тяжелых нефтей в верхнепермских отложениях на территории Западного Закамья (Республика Татарстан) осложнены неравномерным характером распределения нефтенасыщения, определяющимся не только структурно-тектоническими, но и литологическими факторами, часто затрудняющими корреляцию разрезов (Nourgalieva N.G., 2000), формировавшихся в зонах активного влияния относительных колебаний уровня моря. Основой большинства геологических реконструкций, используемых для изучения строения нефтеносных природных резервуаров, является рутинная корреляция, т.е. корреляция сходных по литологии и насыщению единиц. Однако она часто не учитывает сложный характер осадконакопления в бассейне, определяемый взаимодействием множества ауто- и аллоциклических факторов, контролирующих распространение фаций: тектоники, климата, характера поступления осадочного материала, колебаний уровня моря и т.д. Таким образом, при корреляции геологических разрезов важно использовать более объективные стратиграфические критерии корреляции и на их основе прогнозировать палеогеографию и зональность распространения коллекторов.
Один из таких методов - изучение относительных колебаний уровня моря (секвентная стратиграфия) [2]. Относительные изменения уровня моря в истории Земли обусловливают особенности осадконакопления в зонах взаимодействия суши и моря, в мелководных и даже глубоководных морях. Разработка этих идей приводит к более глубокому пониманию процессов формирования осадочных тел, коллекторов и природных резервуаров и позволяет распознавать неструктурные литолого-стратиграфические ловушки УВ (дополнительно к структурным ловушкам). Прогнозные определения и планирование поисково-разведочных работ становятся более достоверными и удешевляют многие работы в области освоения УВ-сырья. Низкие палеоуровни моря в секвентных реконструкциях нередко оказываются эффективными поисковыми признаками обнаружения неструктурных ловушек УВ.
Колебания уровня моря оказывают наибольшее влияние на береговую линию и мелководно-морские осадки, т.е. на зоны тех обстановок, в условиях которых накапливаются осадки конусов выноса, дельт, устьевых баров, пляжей и т.п.
Объектами секвентной стратиграфии являются разрезы, которые формируются в области палеошельфа и зон сопряжения палеошельфа и палеосуши. При стабильной обстановке на шельфе существует равновесие между процессами аккумуляции и эрозии. При нарушении характера взаимодействия поступления осадочного материала, локальных тектонических движений и эвстазии равновесие смещается либо в сторону аккумуляции, либо - эрозии, что отражается в перемещении береговой линии.
Объективным критерием обнаружения относительных колебаний уровня моря служит угловая поверхность несогласия подошвенного (прибрежного) налегания [2]. При подъеме уровня моря эта поверхность перемещается в сторону суши и отмечают трансгрессивное подошвенное налегание. При падении уровня моря эта поверхность перемещается в сторону бассейна и выделяют регрессивное подошвенное налегание. Угловая поверхность несогласия, определяемая секвентной стратиграфией, формируется при изменениях уровня моря, когда вырабатываются новые уровни палеошельфа, срезающие поверхностные осадочные слои, при этом поверхность несогласия протягивается параллельно береговой линии до бровки палеошельфа. Единицей секвентной стратиграфии служит седиментационный комплекс (секвенс), ограниченный поверхностями несогласия или согласия, связанными с относительными колебаниями уровня моря. Данный секвенс включает комплексы низкого уровня моря, трансгрессии, высокого уровня моря (рис. 1). Комплексы низкого уровня моря содержат прекрасные коллекторы для УВ и вызывают особенно пристальное внимание геологов-нефтяников.
Низкие палеоуровни на разрезах можно обнаружить там, где существует достаточно плотная сеть наблюдений или квазинепрерывная запись геологического пространства (ЗD-сейсмика).
На верхнепермских объектах Западного Закамья нет сейсмических записей, но есть плотная сеть скважин с комплексом ГИС, которые позволяют рассмотреть разрезы верхнепермских отложений с позиции секвентной стратиграфии.
Наиболее информативными для анализа седиментационных особенностей разрезов являются ПС (см. рис. 1) и ГК. Для настоящего исследования были использованы кривые ГК, записанные в большинстве изучаемых разрезов. Интенсивность естественного гамма-излучения пород в основном зависит от содержания глинистой компоненты, что для обломочных (терригенных) и хемогенных (карбонатных) пород отражает относительные расстояния от палеоберега.
Ранее было показано, что при рутинной корреляции ГК-диаграмм мы получаем сопоставление литологических единиц (Нургалиева Н.Г. и др., 2001). При этом линии корреляции не являются изохронами, они ограничивают или проходят по однородным в литологическом отношении пластам. Такой подход обычно используется в стандартной стратиграфии. Реальные изохроны, картирование которых дает информацию о конфигурации поверхности дна бассейна седиментации, могут быть обнаружены только при корреляции событий или последовательностей событий, оказывающих воздействие на седиментацию осадков вдоль всего прослеживаемого профиля дна бассейна седиментации. Изохрона проходит по породам различного литологического состава: около берега - это пески, далее - глины.
В качестве событий и последовательностей событий, по которым могут быть выявлены изохроны, мы предлагаем использовать режим изменчивости окружающей среды (климат, тектоника, биосфера, а также колебания, вызванные взаимодействием этих факторов). Предполагается наличие двух состояний изменчивости окружающей среды: стабильное и возбужденное. Такая дифференциация условна, она критична со многих точек зрения (турбидиты, вторичные преобразования пород, перерывы осадконакопления и многое другое), но позволяет упростить регистрацию характера влияния окружающей среды на седиментацию. Стабильное и возбужденное состояния окружающей среды условны и по другой причине. Возбуждение окружающей среды по-разному проявляется в различных фациальных условиях, разнообразные типы осцилляций окружающей среды по-разному отражаются в показаниях различных методов ГИС и т.д. Поэтому мы проводим нормировку осцилляций, учитывающую амплитуду сигнала, на фоне которого происходят осцилляции (учет влияния фациальной зависимости показаний ГК). Такая процедура осуществляется авторами статьи путем подсчета локальной фрактальной размерности диаграмм ГК. Введение понятия “фрактальной размерности” при решении задач геофизики позволяет придать количественную характеристику некоторым интуитивно воспринимаемым в геофизике терминам, как, например, “неустойчивость”, “неоднородность”, “изменчивость”, “сложность” (Утемов Э.В., 1998). Проявление необычайно разнообразных фрактальностей может указать способ сравнения таких свойств систем, которые, на первый взгляд, для сравнения не имеют никакого конкретного количественного параметра. Результат вычисления фрактальной размерности в таком контексте ценен сам по себе, и здесь на первый план выступает роль процедуры вычисления размерности. Существуют разнообразные способы определения фрактальной размерности (Утемов Э.В., 1998). Ее можно вычислить, если исследуемый объект является моно- или мультифракталом, т.е. если отдельные его части подобны целому, что означает целостность фрактальных свойств исследуемого объекта.
Между тем известно, например, что физико-геологические свойства среды существенно меняются с глубиной, что должно отражаться на локальной фрактальной размерности физических параметров, и подобных примеров в природе можно найти достаточно.
Процессы осадконакопления зависят от влияния многих факторов (климатических, тектонических, биологических и др.) и носят сложный нестационарный характер. Значения локальной фрактальной размерности физических параметров среды в данном случае могут служить количественной характеристикой сложности процессов седиментации, следовательно, являться критерием, разделяющим различные фазы колебаний уровня моря. При этом наиболее информативной характеристикой, позволяющей диагностировать реальные изохроны осадконакопления, оказалась вертикальная производная локальной размерности (показатель Херста):

Схематически процедура фрактального анализа данных гамма-каротажа заключалась в следующем:
вычислялись функции локальной размерности H(z) кривых гамма-каротажа по каждой скважине;
рассчитывалась функция вертикальной производной локальной размерности Hz(z);
координаты скважин, для которых производились расчеты, проектировались на линию профиля;
в программе “Surfer” фирмы “Golden Software” строился разрез по параметру Hz(x, z).
В настоящей работе показаны результаты расчета фрактальной размерности для более 100 скважин субмеридионального профиля, простирающегося в междуречье рек Зая и Шешмы, где сосредоточена значительная часть скоплений тяжелой нефти в шешминских песчаниках уфимского яруса.
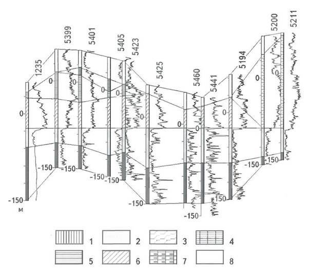
На рис. 2 показан пример рутинной корреляции ГК-диаграмм по 11 скважинам, взятым на северном фрагменте профиля, а на рис. 3 - характер изменения и корреляции зон высокой (темным цветом) и низкой (светлым цветом) фрактальной размерности кривых ГК по всем скважинам. Таким образом, выделяются последовательности возбужденного (темным цветом) и стабильного (светлым цветом) состояний окружающей среды, а также промежуточные состояния (белый свет). Выделение промежуточных состояний обусловлено непрерывностью природных процессов и некоторым осреднением данных в процессе математической обработки.
Корреляция фрактальной размерности диаграмм ГК позволяет выделить возможные секвентные границы (А, В, С, D) и характеристические линии (X) выдвижения проградационных серий (см. рис. 3), например, шешминских песчаников в пределах уфимского яруса, которые невозможно выделить при рутинной корреляции. Эти серии образуют седиментационный комплекс низкого уровня моря и содержат залежи тяжелых нефтей и битумов. На рис. 4 показана фотография шлифа песчаника, представляющего один из распространенных петротипов проградационных серий.
Перспективы предлагаемого нами подхода могут оказаться наиболее впечатляющими для отложений девона и карбона при прогнозировании зон распространения коллекторов и покрышек в пространствах между скважинами. Данная методика может быть применена также при совместном анализе данных сейсмики и ГИС. В частности, многие случаи неподтверждения бурением структур, выделенных по данным сейсмики, могут найти объяснение в рамках предлагаемого подхода. Кроме того, становятся очевидными многие ошибки анализа данных структурного бурения, проводившегося на территории Республики Татарстан много десятков лет. Эти данные при необходимости могут быть подвергнуты переинтерпретации.
Предлагаемая методика не требует проведения дорогостоящих полевых исследований и может быть использована для переобработки имеющихся материалов. Особенно большой эффект может быть достигнут при детальном анализе старых залежей для составления их моделей и прогноза соотношения коллекторов и покрышек при наличии достаточно плотной сетки скважин (через 0,5-1,0 км).
Литература
1. Шлезингер А.Е. Региональная сейсмостратиграфия. - М.: Научный мир, 1998.
2. Vail P.R. Seismic stratigraphy interpretation using sequence stratigraphy interpretation procedure. Atlas of Seismic Stratigraphy// Amer. Assoc. Petrol. Geol., Stud. Geol., 1987. - Vol. 27. - № 1.
Problem of searching for heavy oil and bitumen pools in Permian deposits of Melekess depression and adjacent territories is considered in the article. Here a possibility of detecting hydrocarbon non-structural traps in transition facies deposits is shown.
The article presents an original approach to well logging data processing allowing to carry out not only lithological correlation of well sections but “event” correlation as well. For this purpose by gamma-log curves the authors determine the local fractal dimension of curves and obtained data can be used for well section correlation.
Proposed method was tested and demonstrated in the work with using of gamma-log curves conversion for more than 100 structural wells located on submeridional profile running along territory of Western Za- kamie (Tatarstan Republic) in zone of Sheshmin deposits wedging out. This zone is known by numerous small occurrences of high-viscous oils and bitumen.Pools here are confined to sandstones of As- halchin member which are distributed as local bulges with thickness of up to first tens of meters. Large density of drilling (more than 100 wells in given profile) allows to construct section similar to seismic one according to which it is possible to construct sequence-stratigraphic models Obtained results have important fundamental significance in correlation of complicatedly formed sections of Permian deposits in the east of Russian plate that allows to detect fractal boundaries corresponding to certain “events” of geological history and interpreted in terms of sequence stratigraphy.
Рис. 1. ПРИНЦИПИАЛЬНЫЙ РАЗРЕЗ СЕДИМЕНТАЦИОННОГО КОМПЛЕКСА (по [1])

1 - песчаники русел и эстуариев врезанных долин; 2- песчаники и аргиллиты прибрежной равнины; 3 - мелководные песчаники; 4 - шельфовые склоновые слои песчаников; 5 - песчаники подводных конусов
Рис. 2. ПРИМЕР РУТИННОМ КОРРЕЛЯЦИИ ГК-ДИАГРАММ

Ярусы: 1 - ассельский, 2- сакмарский, 3- уфимский, 4- татарский; подъярусы: 5- нижнеказанский, б - верхнеказанский; отложения: 7- неогеновые, 8-четвертичные
Рис. 3. РАЗРЕЗ ФРАКТАЛЬНОЙ РАЗМЕРНОСТИ ГК (А) И РЕКОНСТРУКЦИЯ СЕКВЕНТНОГО СТРОЕНИЯ (Б) МЕРИДИОНАЛЬНОГО ПРОФИЛЯ В МЕЖДУРЕЧЬЕ ЗАЯ И ШЕШМЫ (по данным более 100 скважин)

Литостратиграфические границы: 1 - рельефа, кровли: 2- нижнеказанского подъяруса, 3- уфимского яруса, 4 - сакмарского яруса, 5- ассельского яруса; А, В, С, D - границы секвенсов; X- характеристические линии, отражающие границы выдвижения проградационных серий комплекса низкого уровня моря (шешминские песчаники с залежами тяжелой нефти); I- граница между возбужденным и стабильным состояниями седиментационной среды
Рис. 4. МЕЛКО-СРЕДНЕЗЕРНИСТЫЙ ПОЛИМИКТОВЫЙ ИЗВЕСТКОВЫЙ ПЕСЧАНИК (длина поля 5 мм)

Пирит замешает кальцит цемента и корродирует зерна кварца и полевого шпата, представляет проградационную серию песчаников в зоне выклинивания шешминского горизонта (скв. 163, Мордово-Кармальская площадь)