СОСТАВ И УСЛОВИЯ ОБРАЗОВАНИЯ ПРОДУКТИВНЫХ ТОЛЩ НИЖНЕХЕТСКОЙ И ЯКОВЛЕВСКОЙ СВИТ НИЖНЕГО МЕЛА ВАНКОРСКОГО ГАЗОНЕФТЯНОГО МЕСТОРОЖДЕНИЯ (СЕВЕРО-ВОСТОК ЗАПАДНОЙ СИБИРИ)
П.А. Фокин, В.Р. Демидова (МГУ), В.М. Яценко, П.В. Ставинский, О.В. Лисунова (Роснефть)
Ванкорское месторождение находится в северо-восточной части Западно-Сибирской плиты (рис. 1). Его основные продуктивные горизонты имеют песчаный состав и приурочены к нижнемеловым отложениям нижнехетской (верхний берриас - нижний валанжин) и яковлевской (средний апт - средний альб) свит (рис. 2). Изучение состава, фациальной изменчивости и условий образования продуктивных песчаных пластов выполнено на основе исследования керна и геофизических материалов восьми скважин и их увязки с сейсмическими данными по месторождению.
Строение разрезов и фациальные типы отложений
Нижнехетская свита. В пределах площади исследования нижнехетская свита представлена толщей алевритоглинистых пород, согласно залегающей на глинистых отложениях яновстанской свиты и перекрывающейся преимущественно песчаными породами суходудинской свиты (см. рис. 2). Берриас-валанжинский возраст свиты определен по остаткам аммонитов и других морских беспозвоночных.
На Ванкорском месторождении в разрезе нижнехетской свиты общей мощностью до 450 м выделяется от двух до четырех песчаных пачек, из которых основными продуктивными объектами являются пласты HX-I, HX-III и HX-IV.
Существенно песчаные породы пластов HX-III, IV объединяются в единую пачку регрессивного строения мощностью 38,8-55,5 м. Песчаники в разрезе составляют до 70 %. Нижняя часть этой пачки сложена алевритопесчаными отложениями переходной зоны побережья - предфронтальной зоны пляжа, часто с хорошо выраженной ритмичностью строения, пологой или косой слоистостью штормового и волнового типов. Они содержат детрит и обломки морских беспозвоночных, в нижней части обычно интенсивно биотурбированы ходами ихнофации Scolithos и Cruziana.
К верхней части пласта HX-IV нижнехетской свиты алевритопесчаные отложения постепенно сменяются хорошо отсортированными песчаниками, массивными и полого-косослоистыми, слабо биотурбированными, с немногочисленными включениями карбонатного детрита и разрозненных раковин двустворок, брахиопод, редко - с послойными скоплениями ориентированных трубочек скафопод. Эти песчаники интерпретируются как отложения вдольбереговых баров и, вероятно, барьерных островов, формирование которых происходило на стадии низкого стояния уровня моря.
Слабопроницаемая перемычка между пластами HX-III и HX-IV, устанавливаемая в разрезах южной части месторождения, по сильной глинизации и биотурбированности отложений интерпретируется как отложения кратковременного повышения уровня моря.
Судя по распределению максимальных мощностей баровых песков, полоса баров во время формирования пласта HX-IV проходила субмеридионально, примерно через район скв. 6. К востоку и северо-востоку они замещаются лагунными отложениями - темноцветными песчано-алевритовыми и алевритоглинистыми породами, иногда пиритизированными, с мелкой косой, волнистой или параллельной слоистостью, с редкими остатками мелких двустворок. Наиболее полно глинисто-алевритовые отложения центральной части лагуны представлены в разрезе скв. 2, песчано-алевритовые отложения внешней краевой части лагуны - скв. 5 (рис. 3). В западном направлении песчаные породы баров замещаются алевритопесчаными отложениями предфронтальной зоны пляжа и песчано-глинистыми отложениями переходной и дистальной зон побережья (скв. 3), часто с характерной бугристой слоистостью темпеститов. Песчаные слои этих фациальных зон имеют мощность до 2-3 м, иной облик и происхождение. Среди них выделяются: 1 - отложения разрывных течений - косослоистые песчаники, ритмичные, с прослоями алевролитов и реже аргиллитов, частично биотурбированные, 2 - отложения дистальных песчаных гряд - полого-косослоистые или параллельно-слоистые, часто сильно биотурбированные. Коллекторы, образованные этими породами, сильно уступают баровым телам по эффективной мощности и качеству из-за повышения роли первичного глинистого и диагенетического карбонатного цемента.
Смена баровых отложений пластов HX-III, IV более мористыми образованиями вышележащей глинистоалевритовой толщи мощностью около 100 м происходит резко, с отчетливо выраженной поверхностью трансгрессивного несогласия. На востоке территории, по литологическому составу и данным ГИС, к ней же относятся лежащие ниже пачки лагунных отложений и своеобразных по облику пород стадии “затопления” лагуны (см. рис. 3): биотурбированных черных и темно-серых глинистых песчаников и алевролитов с редкими остатками бентосных организмов.
Песчаная пачка пласта HX-I очень близка по строению к нижней пачке, отличаясь меньшей мощностью обломочных отложений баров (10-14 м) и одноактностью регрессивного этапа, за время которого она была сформирована.
Фациальная ассоциация отложений нижнехетской свиты по условиям образования соответствует обстановкам прибрежной части морского бассейна со штормовой гидродинамикой.
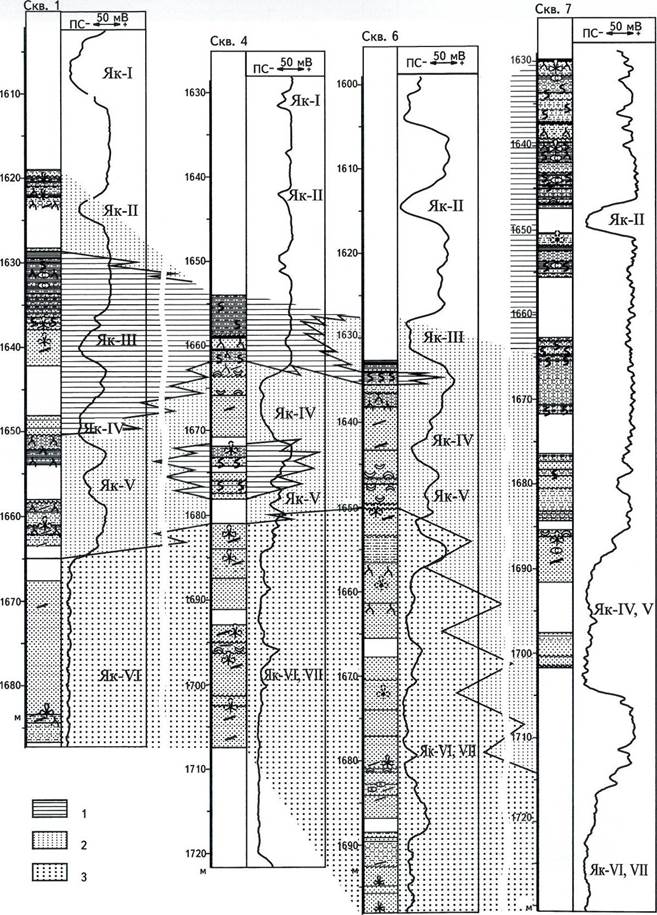
Яковлевская свита. Разрез яковлевской свиты представлен глинами и алевролитами, в верхней части с прослоями и пачками песков и песчаников, пластами бурых углей до 2-4 м [1, 2] (рис. 4). В составе верхней части свиты выделяют до семи песчаных пластов. Мощность свиты - до 650 м. Свита согласно залегает на песчаниковой малохетской свите и согласно перекрывается долганской свитой, также сложенной в основном песками и песчаниками.
В керне описанных скважин была представлена верхняя часть свиты, содержащая продуктивные пласты (Як-1 - Як-VII). В составе нижних пластов (Як-IV - Як-VII) резко преобладают песчаные породы, со значительной ролью среднезернистых; песчаники умеренно отсортированные, массивные и косослоистые, часто с включениями углефицированных растительного детрита и остатков древесины. Образование этих отложений предполагается в условиях устьевых баров, при впадении рек в прибрежную зону моря. Накопление отложений происходило преимущественно в субаквальных условиях, и только на востоке и юге месторождения (скв. 8), среди аналогичных отложений, появляются песчаные и алевритоглинистые прослои со следами корневых систем растений. В скв. 8, на уровнях пластов Як-IV и Як-V, диагностируются песчаные отложения вдольбереговых пляжевых валов, с обратной градацией обломков и пологой и косой слоистостью.
Вышележащая часть яковлевской свиты представлена глинисто-алевритовыми отложениями с прослоями песчаных пород (пласты Як-1 - ЯК-Ill) и углей (см. рис. 4). Роль песчаных отложений возрастает в восточных частях площади (скв. 5, 8), на западе преобладающее значение имеют алевропелиты. Для строения слоев песчаников мощностью 2-13 м, интерпретируемых как русловые отложения меандрирующих дельтовых проток, характерны различные типы косой слоистости и крупная ритмичность, с эрозионной поверхностью в основании ритма и уменьшением размерности обломков к его кровле. В песчаниках часто встречаются примесь углефицированного растительного детрита и включения обломков древесины.
Глинистые и глинисто-алевритовые отложения пойм, дельтовых и маршевых болот имеют окраску от темно-серой до черной, наиболее характерна параллельная и волнистая слоистость. В пойменных отложениях часто присутствуют маломощные прослои песчаников с мелкой косой слоистостью, горизонты палеопочв со следами и углефицированными остатками мелких корней растений, прослойки углей.
Для отложений стариц и отрезанных проток характерны более высокие мощности, чем у пойменных, резкий контакт с подстилающими песчаниками сокращенной русловой серии, параллельная и волнистая, реже - мелкая косая слоистость. В отложениях отмерших дельтовых проток иногда отмечается сидеритизация отложений.
В широко распространенных глинисто-алевритовых отложениях замкнутых и полузамкнутых солоновато-водных бассейнов отмечается тонкая и весьма тонкая слоистость, часто с ритмичным строением, встречаются следы слабой и умеренной биотурбации просто устроенными ходами, присутствуют конкреции сидерита. В отложениях краевых и прибрежных частей лагун появляются углефицированные остатки корней растений (интерпретируются как иловые отмели), прослои углей (отложения маршей), линзы и прослои до 1-2 м песчаников, с пологой косой слоистостью и следами корней (шеньеры) или шевронной слоистостью (прибрежное мелководье с волновой активностью). На уровнях, соответствующих интервалам пластов Як-ll, -III (скв. 3), тип и степень биотурбации лагунных отложений приближаются по облику к типичным для мелководно-морских условий, что, вероятно, связано с незначительным опреснением вод.
Сочетание описанных фациальных типов верхов свиты характерно для наземных участков конструктивных флювиальных дельт, с подчиненным влиянием гидродинамической активности принимающего бассейна. Общая фациальная последовательность яковлевской свиты описывается моделью формирующейся и проградирующей дельтовой системы в условиях понижения уровня моря (нижняя часть свиты) и низкого стояния уровня моря (верхняя часть свиты). Следует полагать, что расширение площади дельты в западном направлении происходило постепенно, в связи с чем комплекс устьевых баров в западных скважинах должен быть моложе, чем в восточных.
Петрографический состав песчаников нижнехетской и яковлевской свит, их сравнение и происхождение
Песчаники нижнехетской свиты относятся к группе аркозовых (рис. 5, А). Содержание в них кварцевых обломков составляет 32,7-56,2 % (преобладает однородно погасающий кварц) и кислых полевых шпатов (преимущественно калиевых) - 22,1-44,4 %. Среди группы обломков пород (11,3-22,3 %) наиболее многочисленны фрагменты метаморфических (углеродисто-слюдистые, кварцево-слюдистые, хлорит-серицитовые и другие сланцы, редко - железистые кварциты) и кислых магматических (гранитоиды) пород; в заметно меньшем количестве присутствуют обломки осадочных пород (яшмоиды, кремни, алевролиты, аргиллиты), вулканиты кислого (до 2 %), основного и среднего (до 3,8 %) составов. К последним также отнесены обломки средних и основных плагиоклазов и фрагменты радиально-лучистого эпидота и халцедона из миндалин основных эффузивов.
Суммарное количество минералов тяжелой фракции в песчаниках не превышает 1 %. Прозрачные акцессорные минералы в песчаных породах образуют две ассоциации. Первая, гранатовая, иногда имеет заметную примесь циркона и хлорита и содержит редкие, не во всех шлифах встречающиеся зерна апатита, монацита, турмалина, сфена, лейкоксена, эпидота, хромита. Вторая, апатит-гранатовая (апатита от 25 до 45 %), часто содержит примесь циркона и имеет большой набор минералов, встречающихся значительно реже (в примерном порядке убывания встречаемости, от редких до единичных): хлорит, сфен и лейкоксен, турмалин, эпидот, монацит, андалузит, силлиманит, ставролит, ксенотим, дистен, рутил
Песчаники с этими ассоциациями минералов тяжелой фракции без явной закономерности чередуются как по площади, так и в разрезах отдельных скважин (см. рис. 5, Б).
В пляжевых отложениях наблюдается концентрация минералов тяжелой фракции в отдельных тонких прослойках.
Из аутигенных минералов в песчаниках встречается глауконит, обычно в виде рассеянных в породе зерен. Реже, над поверхностями трансгрессивных несогласий, зерна глауконита образуют скопления.
Окатанность обломков неравномерная, преобладают полуугловатые и угловатые частицы. Окатанные и хорошо окатанные зерна встречаются в резко подчиненных количествах. Средний показатель окатанности незначительно возрастает к северу.
Песчаники яковлевской свиты петрографически более зрелые, чем нижнехетской. На трехкомпонентной классификационной диаграмме [4] большинство точек составов располагается в полях олиго- и мезо- миктовых пород (см. рис. 5, А). Содержание кварцевых зерен составляет 52,5-85,5 %. Кислые полевые шпаты присутствуют в количестве 9,2-28,8 %, из которых большинство (до 21,5 %) приходится на калиевые шпаты. Количественные соотношения между группами обломков пород в песчаниках близки к таковым нижнехетской свиты, однако в сумме лититовая компонента для яковлевской свиты составляет от 6,3 до 17,2 %.
Прозрачные акцессорные минералы, как и в нижнехетских песчаниках, образуют две ассоциации: гранатовую и апатит-гранатовую, причем, по сравнению с нижнехетской свитой, поля ассоциаций менее дифференцированы и в них уменьшается количество второстепенных минералов (см. рис. 5, Б).
Аутигенные минералы яковлевской свиты представлены сидеритом и каолинитом. Конкреционный сидерит больше тяготеет к слоям алевритоглинистых пород, в песчаниках сидерит встречается редко и имеет ооидную структуру. Диагенетический каолинит имеет хорошо образованную кристаллоидную структуру и обычно заполняет поры в песчаниках. Его присутствие связано с разложением нестойких минералов (в основном полевых шпатов) гумусовыми кислотами. В песчаных породах нижней части свиты встречаются единичные неокисленные зерна глауконита. Обломки очень неравномерно окатаны, основную часть псаммитов, как и в нижнехетских песчаниках, слагают угловатые, полуугловатые и полуокатанные частицы.
Аркозовый состав нижнехетских песчаников, в среднем низкая степень окатанности зерен, преобладание среди обломков пород фрагментов гранитоидов и метаморфических пород могут объясняться образованием песчаного материала за счет разрушения коренных пород складчато-метаморфического комплекса, прорванного гранитоидными интрузивами. Наиболее вероятным источником такого материала могла служить близко расположенная область раннепротерозойского складчато-метаморфического пояса, окаймляющая Сибирский кратон с запада. В настоящее время выходы пород этого пояса из-под перекрывающих отложений чехла находятся в районе Игарки; в раннем мелу, вероятно, размеры кристаллического массива были значительнее.
Небольшая часть обломочного материала с обломками основных эффузивов триасового траппового комплекса и осадочных пород палеозоя могла поступать и из области западной окраины Сибирской платформы.
Комплексы акцессорных минералов тоже указывают на область сноса, сложенную в основном метаморфическими и магматическими породами кислого состава. Выделение в песчаниках двух близких по составу ассоциаций акцессорных минералов допускает возможность транспортировки материала из общей области сноса двумя реками со сливающимися дельтами. Впадение рек в принимающий бассейн (по крайней мере, в нижнехетское время) располагалось в районе скв. 8, где в нижней части свиты устанавливаются признаки однонаправленных течений.
Окраина морского бассейна нижнехетского времени характеризовалась атмосферной (волновой и штормовой) гидродинамикой. Преобладающий подход волн к берегу, вероятно, был с юго-запада, что могло обеспечивать вдольбереговое перемещение песчаного материала в северном направлении. С этим предположением согласуются некоторое улучшение средней окатанности и петрографической зрелости нижнехетских песчаников в северном направлении (см. рис. 5, А) и лучшая выраженность лагунных фаций именно в северных частях района. Появление незначительного количества хорошо окатанных зерен тоже могло быть связано с их дальним вдольбереговым переносом из более южных районов побережья.
Хотя песчаники яковлевской свиты обладают большей петрографической зрелостью, в них выделяются те же группы и типы обломков, те же ассоциации акцессорных минералов, что и в песчаниках нижнехетской свиты. Это свидетельствует об унаследованном развитии раннемеловой окраины Западно-Сибирского бассейна в этом районе и поступлении терригенного материала с общей области сноса. Однако более высокая зрелость песчаников предполагает: 1 - большее расстояние переноса и/или 2 - прохождение песчаным материалом нескольких циклов размыва - накопления. Первый вариант должен быть отвергнут из-за низкой средней окатанности песчинок, почти не отличающейся от таковой для нижнехетских песчаников. Неоднократное переотложение песчаного материала может быть объяснено следующим образом. В позднеяковлевское время (ранний - средний альб) - этап понижения и низкого уровня моря - дисперсный обломочный материал прибрежно-морских отложений предшествовавших этапов высокого стояния уровня моря (готерив -ранний апт) мог размываться и перемещаться реками к новой береговой линии. В основном за счет этих песков и была сформирована нижняя, песчаная часть яковлевской свиты. Заметный разброс составов обломочных пород свиты на диаграмме и расплывчатые поля ассоциаций акцессорных минералов (см. рис. 5), вероятно, связаны со смешиванием ремобилизованных песков со “свежим” обломочным материалом, поступавшим из области сноса.
Выводы
На основании проделанной работы можно сделать следующие выводы.
1. Песчаные тела коллекторов нижнехетской свиты имеют в основном прибрежно-морское, баровое происхождение. Нижние песчаные продуктивные пласты яковлевской свиты (Як-IV - ЯК-VII) образованы сливающимися телами устьевых баров рек, верхней части яковлевской свиты (Як-I - ЯК-III) - в основном меандрирующими дельтовыми протоками.
2. Продуктивные песчаные отложения пластов HX-I, III, IV нижнехетской свиты формировались в условиях прибрежной зоны моря атмосферной (волновой и штормовой) гидродинамики. Каждый из пластов имеет регрессивно-трансгрессивное строение. В строении первого цикла (соответствующего HX-III, IV) обнаруживаются признаки колебаний уровня моря меньшего порядка.
3. Продуктивные песчаные отложения верхней части яковлевской свиты накапливались в условиях становления дельтового комплекса, в развитии которого выделяются две стадии. Ранняя стадия - формирование преимущественно в субаквальных условиях комплекса устьевых баров, поздняя - конструктивной флювиальной дельты. Граница между отложениями стадий скользящая, омолаживается на запад.
4. В аркозовых песчаниках нижнехетской и мезо- и олигомиктовых песчаниках яковлевской свит выделяются общие группы и типы обломков и общие комплексы акцессорных минералов, что свидетельствует об общности их основной области сноса: выхода метаморфических и магматических пород нижнего протерозоя вдоль западного края Сибирского кратона.
5. Обломочный материал для нижнехетской свиты является продуктом первичного размыва коренных пород области сноса. Песчаные отложения яковлевской свиты сформировались за счет размыва и переотложения прибрежных обломочных накоплений предшествовавших трансгрессивных этапов раннемелового Западно-Сибирского бассейна.
6. Вынос терригенного материала в прибрежную область моря (для нижнехетской свиты) или аллювиальной дельтовой системы (для яковлевской свиты) осуществлялся двумя аллювиальными системами.
7. Качество коллекторов нижнехетской свиты быстро ухудшается в западном направлении, по мере замещения отложений баров накоплениями дистальной зоны побережья, и еще быстрее - на северо-восток, в сторону преобладающего распространения глинисто-алевритовых отложений забаровой лагуны.
8. Для нижних продуктивных пластов яковлевской свиты (Як-IV - ЯК-VII), образованных сливающимися телами песчаных устьевых баров, предполагаются сравнительно однородные коллекторские свойства. Качество коллекторов верхних продуктивных пластов свиты (Як-I - ЯК-Ill) ухудшается характерным для дельт частым чередованием по вертикали и латерали песчаных и алевритоглинистых пород. Уменьшение роли песчаных пород происходит в западном и северо-западном направлениях по мере увеличения роли отложений внутридельтовых озер и лагун.
9. Выявленные фациальные типы отложений и их петрографический состав свидетельствуют о потенциальной изменчивости петрофизических параметров нижнехетских и яковлевских коллекторов и необходимости использования данных сейсморазведки при распространении свойств в межскважинном пространстве при построении геологической модели месторождения.
Литература
1. Булынникова А.А. К стратиграфии юрских и нижнемеловых отложений северо-восточных районов Западно-Сибирской низменности / А.А. Булынникова, Г.Н. Карцева, Н.И. Байбародских, З.З. Ронкина, Ф.Ф. Вахитов, Н.И. Горовцова // Геология и геофизика. - 1970. - № 5.
2. Захаров В.А. Альбский ярус Западной Сибири // Геология и геофизика. - 2000. - Т. 41. - № 6.
3. Решение 5-го Межведомственного регионального стратиграфического совещания по мезозойским отложениям Западно-Сибирской равнины (Тюмень, 14-18 мая 1990 г.). - Тюмень: Изд-во ЗапСибНИГНИ, 1991.
4. Шванов В.Н. Петрография песчаных пород (компонентный состав, систематика и описание минеральных видов). - Л.: Недра, 1987.
© Коллектив авторов, 2008
On the basis of work done by authors it was concluded the following.
The sandy beds of reservoirs of Lower Khetian suite have mainly coastal-marine, bar origin.
Productive sandy deposits of Lower Khetian suite beds were formed under conditions of coastal zone of weather (wave and storm) hydrodynamics.
Productive sandy deposits of upper part of Yakovlev suite were accumulated under deltaic complex formation with two stages of development.
In arkose sandstones of Lower Khetian and meso- and oligomict sandstones of Yakovlev suites there are distinguished common groups and types of fragments and total complexes of accessory minerals that evidences the common for them source area: outcrop of metamor- phic and magmatic rocks of Lower Proterozoic along western edge of Siberian craton.
Clastic material for Lower Khetian suite are the product of primary washout of bedrocks of source area. Sandy deposits of Yakovlev suite were formed due to washout and redeposition of coastal clastic accumulations of previous transgressive stages of Early Cretaceous West Siberian basin.
Drift of terrigene material in coastal area (for Lower Khetian suite) or alluvial deltaic system (for Yakovlev suite) occur by two alluvial systems.
Reservoir quality of Lower Khetian suite is rapidly deteriorated in west direction while replacement of bar deposits by distal zone accumulations and much faster - towards north-east in direction of prevailed distribution of argillo-silty deposits of beyond bar lagoon.
Lower productive beds of Yakovlev suite formed by interfluent bodies of sandy mouth bars suggest comparatively uniform reservoir properties.
Revealed facial types and their petrographic composition witnesses the potential variability of petrophysical parameters of Lower Khetian and Yakovlev reservoirs and necessity of using seismic exploration data in interwell space for constructing geological model of the field.
Рис. 1. МЕСТОПОЛОЖЕНИЕ (А) И СХЕМА РАСПОЛОЖЕНИЯ СКВАЖИН (Б) ВАНКОРСКОГО МЕСТОРОЖДЕНИЯ

Рис. 2. СХЕМА СТРАТИГРАФИЧЕСКОГО РАСЧЛЕНЕНИЯ НИЖНЕМЕЛОВЫХ ОТЛОЖЕНИЙ ВАНКОРСКОГО МЕСТОРОЖДЕНИЯ [3]

1 - пески, песчаники; 2-алевролиты; 3-глины, аргиллиты
Рис. 3. СХЕМАТИЧЕСКИЙ ФАЦИАЛЬНЫЙ ПРОФИЛЬ ГОРИЗОНТОВ HX-III, IV ВАНКОРСКОГО МЕСТОРОЖДЕНИЯ

Отложения: 1 - дистальной зоны побережья, 2- переходной зоны побережья, 3- предфронтальной зоны пляжа, 4 - нижнего пляжа, 5- внешней краевой зоны лагуны, 6- внутренней зоны лагуны, 7- стадии “затопления” лагуны; 8- квазиизохронные поверхности; 9-песчаники; 10 - алевролиты; 11- глины, аргиллиты; 12- угли; включения: 13-гравия, 14- конкреций: а - известковых, б - сидеритовых; 15- глинистые окатыши; 16 - поверхности размывов; 17-биотурбация; органические остатки: 18- двустворки: а - ползающие и зарывающиеся, б - свободно лежащие, 19- разрозненные створки двустворок, 20- головоногие: а - аммониты, б - белемниты, 21 - брахиоподы, 22-остатки криноидей, 23- следы и унифицированные остатки корней, 24-а- остатки листовой флоры, б - растительный детрит, 25 - остатки древесины; 26 - кровли горизонтов НХ-III и HX-IV (по данным каротажа); положение линии разреза см. на рис. 1; масштаб: вертикальный 1:500, горизонтальный 1:1 000 000
Рис. 4. СХЕМАТИЧЕСКИЙ ФАЦИАЛЬНЫЙ ПРОФИЛЬ ЯКОВЛЕВСКОЙ СВИТЫ ВАНКОРСКОГО МЕСТОРОЖДЕНИЯ

Отложения: 1 - лагунные; 2- конструктивной дельты; 3- устьевых баров; остальные уел. обозначения см. на рис. 3; масштаб: вертикальный 1:500, горизонтальный 1:125 000
Рис. 5. ПЕТРОГРАФИЧЕСКИЙ СОСТАВ ПЕСЧАНИКОВ НИЖНЕХЕТСКОЙ И ЯКОВЛЕВСКОЙ СВИТ

Состав: А - на классификационной диаграмме В.Н. Шванова [4], Б-тяжелой фракции песчаников; песчаники: 1 - нижне- хетской свиты, 2 - яковлевской свиты; ассоциация песчаников: 3- гранатовая, 4 - апатит-гранатовая